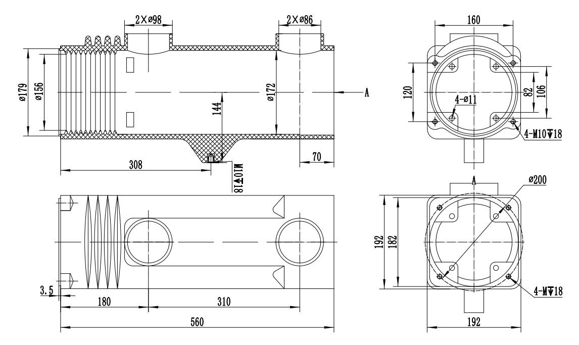
8JS-004绝缘筒
产品属性
- 所属分类:12KV绝缘件
- 产品编号:1567396108
- 浏览次数:0
- 发布日期:2019-09-02
- 产品概述
- 性能特点
- 技术参数

产品名称:绝缘筒
产品规格:JST-12/2000-4000A
图号 :8JS-004
生产工艺:采用APG(自动压力凝胶)工艺成型
应用范围:12KV户内开关柜
使用环境:1、海拔高度不超过1000米。
2、环境温度在-30℃---+40摄氏度℃之间,日平均温度不大于30℃。
3、安装场所应无严重影响产品绝缘和导电性能的水蒸气、气体、化学腐蚀性沉积、盐雾、灰尘污垢及其它爆炸危险的介质。
4、安装场所应无经常的振动和严重的颠簸。






